Teenused
Pakume kvaliteetseid teenuseid päikeseelektrijaamade elektriprojektide valdkonnas, sealhulgas Kredexi jaoks.
Projektide kavandamine
Kavandame elektriprojekte, mis vastavad teie vajadustele ja ootustele.
Tehniline tugi
Pakume tehnilist tuge ja nõustamist, et tagada teie projektide sujuv teostamine ja töö.
Meie kirg elektriprojektide vastu
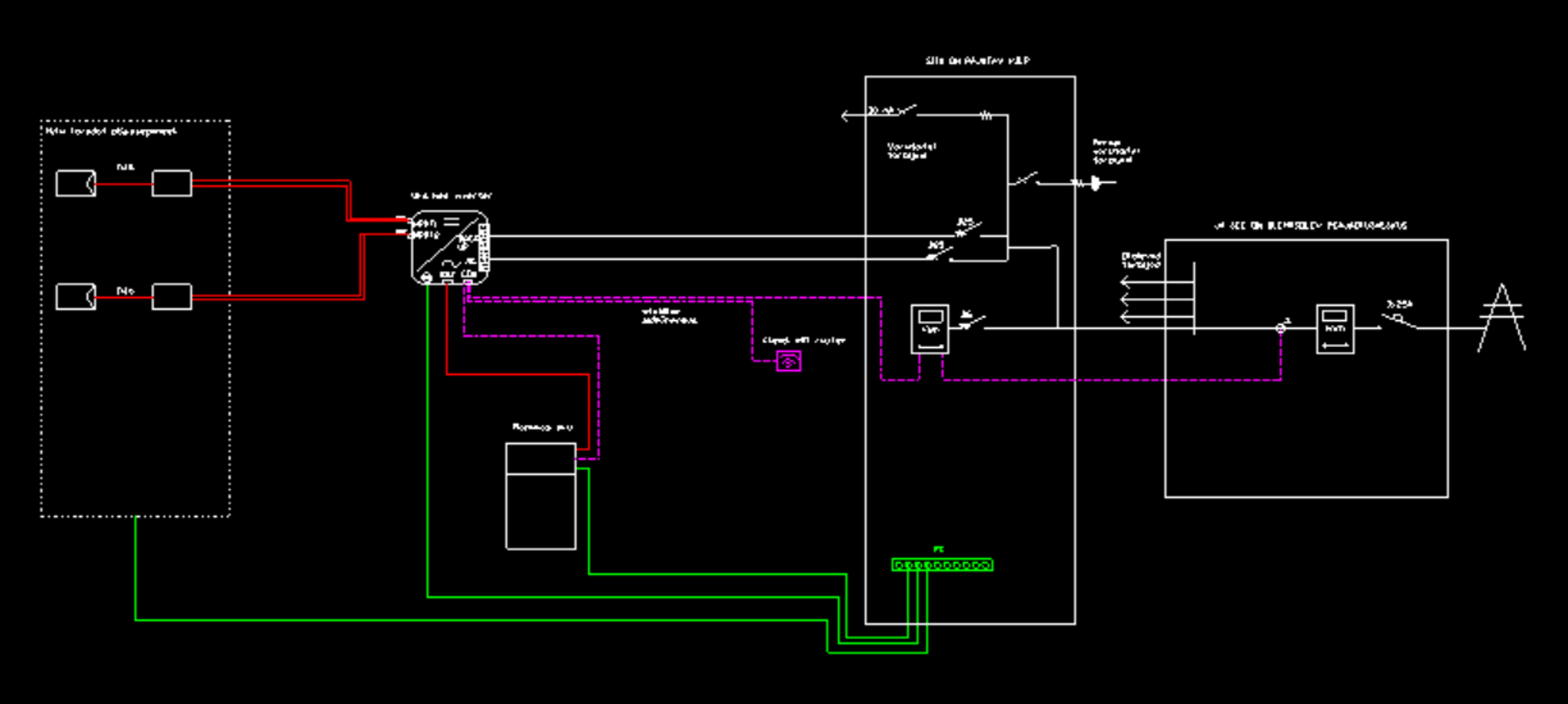
Aielectro on spetsialiseerunud päikeseelektrijaamade projektidele, olles läbi viinud üle 100 erineva keerukusastmega elektriprojekti. Meie eesmärk on pakkuda kvaliteetseid lahendusi.
100+
Usaldusväärne partner mitmele ettevõttele
Kliendi rahulolu

Aielectro aitas mind
asd
Aielectro aitas mind
asd